- US-Based Friendly Customer Service
- Free Shipping on Orders $50+
0
Your Cart is Empty

Your Cart is Empty

RAM-111U-B
$60.99 $68.49
In Stock
-
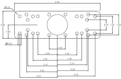
Ships for Free! The RAM-111U-B consists of a 2.5" diameter round base that contains the universal AMPs hole pattern, SHORT LENGTH double socket arm and 6.25" x 2" rectangle base. The rectangle base contains different combinations of pre-drilled holes which will match up to many electronic devices and mounts, including Marine GPS, CB Radios, Ham Radios, Gimbal Brackets and more. Overall Length: Weight Capacity: Material: Additional Mounting Base Options
Description
5.225"
Up to 10 lbs. Specs & Features
Powder Coated Marine Grade Aluminum
Ball Size:
1.5" Rubber Ball Size
Note:
The "U" in the part number reflects product packaged in poly bag. The 6.25" x 2" rectangle base is a universal mounting bracket with a selection of mounting hole locations. In certain applications additional holes may need to be drilled for proper fit with your electronic device.
Weight:
1.08 lbs. Additional Bases
RAM Triple Suction Cup Base with 1.5" Ball - RAM-224-3U
RAM 2.43" X 1.31" Diamond Base With 1.5" - Ball - RAM-238U
RAM 3.68" Round Base with 1.5" Ball - RAM-240U
RAM C Size 1.5" Ball on Rectangular Plate with 1.5" x 2" 4-Hole Pattern - RAM-202U-225
RAM Rail Base with "Rust-Proof" Stainless Steel U-Bolt & 1.5" Ball - RAM-231U
RAM 1.25" to 1.875" Rail Clamp Base with 1.5" Ball - RAM-271U-12
RAM Medium Tough-Claw™ with 1.5" Diameter Rubber Ball - RAP-404U
RAM 6.25" x 2" Universal Electronics Base with 1.5" Ball - RAM-111BU
RAM 4.75" Square Base with VESA (4 X 75mm) (4 X 100mm) Hole Patterns & 1.5" Ball - RAM-246U
RAM 1.5" Ball Base with Strap 1" to 2.1" Diameter - RAM-108BU Compatible Devices
Sign up to get the latest on sales, new releases and more …